Product Summary
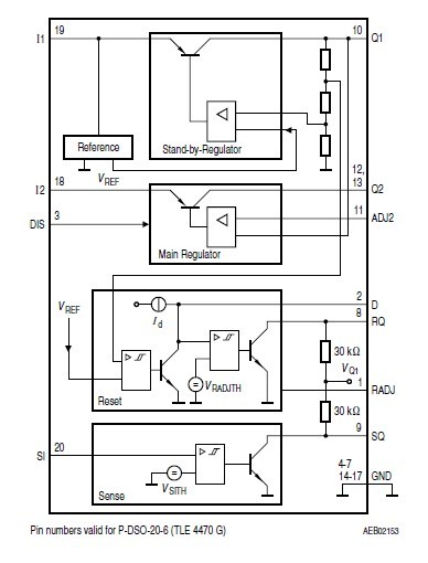
The TLE4470G is a monolithic integrated voltage regulator with two very low-drop outputs, a main output Q2 for loads up to 350 mA and a stand by output Q1 providing a maximum of 180 mA. The device is available in two packages the PG-DSO-14 and PG-DSO-20. The TLE4470G is designed to supply microprocessor systems under the severe conditions of automotive applications and is therefore equipped with additional protection functions against overload, short circuit and overtemperature. The TLE4470G can also be used in other applications where two stabilized voltages are required.
Parametrics
TLE4470G absolute maximum ratings: (1)Reset Delay D Voltage VD: min=-0.3V, max=7V; Current ID: min=-2mA, max=2mA; (2)Reset Switching Threshold Adjust RADJ Voltage VRADJ: in=-0.3V, max=7V; Current IRADJ: Internally limited; (3)Junction temperature Tj: min=-50℃, max=150℃; (4)Storage temperature Tstg: min=-50℃, max=150℃.
Features
TLE4470G features: (1)Stand-by output 180 mA; 5 V ±2%; (2)Adjustable reset switching threshold; (3)Main output 350 mA; tracked to the stand-by output; (4)Low quiescent current consumption in standby mode; (5)Disable function for main output; (6)Wide operation range: up to 45 V; (7)Very low dropout; (8)Power-On-Reset circuit sensing the stand-by voltage; (9)Early warning comparator for supply undervoltage; (10)Output protected against short circuit.
Diagrams

| Image | Part No | Mfg | Description | ![]() |
Pricing (USD) |
Quantity | ||||||||||||
|---|---|---|---|---|---|---|---|---|---|---|---|---|---|---|---|---|---|---|
![]() |
![]() TLE4470G |
![]() Infineon Technologies |
![]() Low Dropout (LDO) Regulators LOW DROPOUT REGULATOR |
![]() Data Sheet |
![]()
|
|
||||||||||||
![]() |
![]() TLE4470GS |
![]() Infineon Technologies |
![]() Low Dropout (LDO) Regulators LOW DROPOUT REGULATOR |
![]() Data Sheet |
![]()
|
|
||||||||||||
![]() |
![]() TLE4470GXT |
![]() Infineon Technologies |
![]() Low Dropout (LDO) Regulators Dual Low Drop Voltage Regulator |
![]() Data Sheet |
![]()
|
|
||||||||||||
(Hong Kong)










