Product Summary
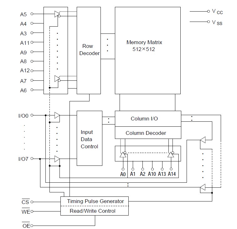
The Hitachi HM62256LFP-8T is a CMOS static RAM organized 32-kword 8-bit. It realizes higher performance and low power consumption by employing 0.8 μm Hi-CMOS process technology. The HM62256LFP-8T packaged in a 8 14 mm TSOP with thickness of 1.2 mm, 450-mil SOP (foot print pitch width), 600-mil plastic DIP, or 300-mil plastic DIP, is available for high density mounting. TSOP package of the HM62256LFP-8T is suitable for cards, and reverse type TSOP is also provided. It offers low power standby power dissipation; therefore, it is suitable for battery back up system.
Parametrics
HM62256LFP-8T absolute maximum ratings: (1)Voltage on any pin relative to VSS VT: –0.5 to +7.0 V; (2)Power dissipation PT: 1.0 W; (3)Operating temperature Topr: 0 to +70 ℃; (4)Storage temperature Tstg: –55 to +125 ℃; (5)Storage temperature under bias Tbias: –10 to +85 ℃.
Features
HM62256LFP-8T features: (1)High speed: Fast Access time 85/100/120/150 ns(max); (2)Low Power. Standby: 5 μW (typ) (L/L-SL version); Operation: 40 mW (typ) (f = 1 MHz); (3)Single 5 V supply; (4)Completely static memory. No clock or timing strobe required; (5)Equal access and cycle times; (6)Common data input and output: Three state output; (7)Directly TTL compatible: All inputs and outputs; (8)Capability of battery back up operation.
Diagrams

![]() |
![]() HM6207H |
![]() Other |
![]() |
![]() Data Sheet |
![]() Negotiable |
|
||||
![]() |
![]() HM6208H |
![]() Other |
![]() |
![]() Data Sheet |
![]() Negotiable |
|
||||
![]() |
![]() HM621100A |
![]() Other |
![]() |
![]() Data Sheet |
![]() Negotiable |
|
||||
![]() |
![]() HM621400H |
![]() Other |
![]() |
![]() Data Sheet |
![]() Negotiable |
|
||||
![]() |
![]() HM621400HC |
![]() Other |
![]() |
![]() Data Sheet |
![]() Negotiable |
|
||||
![]() |
![]() HM6216255H |
![]() Other |
![]() |
![]() Data Sheet |
![]() Negotiable |
|
||||
(Hong Kong)








