Product Summary
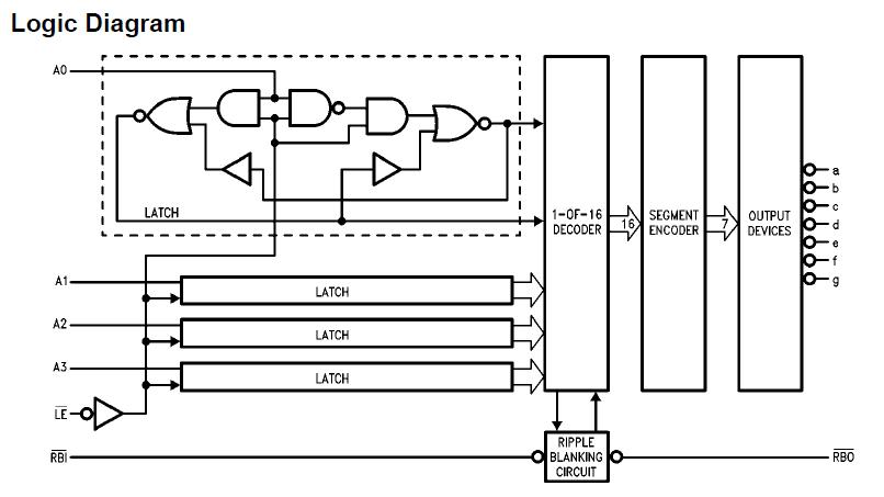
The DM9368N is a 7-segment decoder driver designed to drive 7-segment common cathode LED displays. The DM9368N drives any common cathode LED display rated at a nominal 20 mA at 1.7V per segment without need for current limiting resistors. The DM9368N accepts a 4-bit binary code and produces output drive to the appropriate segments of the 7-segment display. It has a hexadecimal decode format which produces numeric codes "0" thru "9" and alpha codes "A" through "F"using upper and lower case fonts.
Parametrics
DM9368N absolute maximum ratings: (1)Supply Voltage: 7V; (2)Input Voltage: 5.5V; (3)Operating Free Air Temperature Range: 0℃ to +70℃; (4)Storage Temperature Range: -65℃ to +150℃.
Features
DM9368N electrical characteristics: (1)Input Clamp Voltage: -1.5 V at VCC = Min, II = -12 mA; (2)HIGH Level Output Voltage: 2.4 V min and 3.4 V typ at VCC = Min, IOH = Max, VIL = Max; (3)LOW Level Output Voltage: 0.2 V typ and 0.4 V max at VCC = Min, IOL = Max, VIH = Min; (4)Input Current @ Max Input Voltage: 1 mA at VCC = Max, VI = 5.5V; (5)HIGH Level Input Current: 40 μA at VCC = Max, VI = 2.4V; (6)LOW Level Input Current: -1.6 mA at VCC = Max, VI = 0.4V; (7)Short Circuit Output Current: -18 to -57 mA at VCC = Max; (8)Supply Current: 67 mA at VCC = Max, Outputs OPEN, Data & Latch Inputs = 0V.
Diagrams

| Image | Part No | Mfg | Description | ![]() |
Pricing (USD) |
Quantity | ||||
|---|---|---|---|---|---|---|---|---|---|---|
![]() |
![]() DM9368N |
![]() Fairchild Semiconductor |
![]() Encoders, Decoders, Multiplexers & Demultiplexers 7-Seg Dec/Drv/Latch |
![]() Data Sheet |
![]() Negotiable |
|
||||
| Image | Part No | Mfg | Description | ![]() |
Pricing (USD) |
Quantity | ||||
![]() |
![]() DM9314 |
![]() Other |
![]() |
![]() Data Sheet |
![]() Negotiable |
|
||||
![]() |
![]() DM9316 |
![]() Other |
![]() |
![]() Data Sheet |
![]() Negotiable |
|
||||
![]() |
![]() DM9324N |
![]() Fairchild Semiconductor |
![]() Comparator ICs 5-Bit Comparator |
![]() Data Sheet |
![]() Negotiable |
|
||||
![]() |
![]() DM9328N |
![]() Fairchild Semiconductor |
![]() Counter Shift Registers Dual 8-Bit Shift Reg |
![]() Data Sheet |
![]() Negotiable |
|
||||
![]() |
![]() DM9374N |
![]() Fairchild Semiconductor |
![]() Encoders, Decoders, Multiplexers & Demultiplexers 7-Seg Dec/Drv/Latch |
![]() Data Sheet |
![]() Negotiable |
|
||||
![]() |
![]() DM9368N |
![]() Fairchild Semiconductor |
![]() Encoders, Decoders, Multiplexers & Demultiplexers 7-Seg Dec/Drv/Latch |
![]() Data Sheet |
![]() Negotiable |
|
||||
(Hong Kong)










