Product Summary
The CNY17-2 is an optically coupled pair consisting of a Gallium Arsenide infrared emitting diode optically coupled to a silicon NPN phototransistor. Signal information of the CNY17-2, including a DC level, can be transmitted by the device while maintaining a high degree of electrical isolation between input and output. The CNY17-2 can be used to replace relays and transformers in many digital interface applications, as well as analog applications such as CRT modulation.
Parametrics
CNY17-2 absolute maximum ratings: (1)Reverse voltage VR: 6.0 V; (2)Forward current IF: 60 mA; (3)Surge current t ≤ 10 μs IFSM: 2.5 A; (4)Power dissipation Pdiss: 100 mW; (5)Collector-emitter breakdown voltage BVCEO: 70 V; (6)Emitter-base breakdown voltage BVEBO: 7.0 V; (7)Collector current IC: 50 mA; (8)t < 1.0 ms IC: 100 mA; (9)Power dissipation Pdiss: 150 mW.
Features
CNY17-2 features: (1)Isolation Test Voltage 5300 VRMS; (2)Long Term Stability; (3)Industry Standard Dual-in-Line Package; (4)Lead-free component; (5)Component in accordance to RoHS 2002/95/EC and WEEE 2002/96/EC.
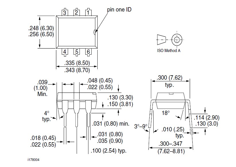
Diagrams

| Image | Part No | Mfg | Description | ![]() |
Pricing (USD) |
Quantity | ||||||||||||||
|---|---|---|---|---|---|---|---|---|---|---|---|---|---|---|---|---|---|---|---|---|
![]() |
![]() CNY17-2-000E |
![]() Avago Technologies |
![]() Transistor Output Optocouplers 5000 Vrms 0.3mA |
![]() Data Sheet |
![]()
|
|
||||||||||||||
![]() |
![]() CNY17-2-300E |
![]() Avago Technologies |
![]() Transistor Output Optocouplers 5000 Vrms 0.3mA |
![]() Data Sheet |
![]()
|
|
||||||||||||||
![]() |
![]() CNY17-2-500E |
![]() Avago Technologies |
![]() Transistor Output Optocouplers 5000 Vrms 0.3mA |
![]() Data Sheet |
![]()
|
|
||||||||||||||
![]() |
![]() CNY17-2M |
![]() Everlight |
![]() Transistor Output Optocouplers 63-125CTR 5000Vrms -55 to +110 Op Temp |
![]() Data Sheet |
![]()
|
|
||||||||||||||
![]() |
![]() CNY17-2M-V |
![]() Everlight |
![]() Transistor Output Optocouplers 63-125CTR 5000Vrms -55 to +110 Op Temp |
![]() Data Sheet |
![]()
|
|
||||||||||||||
![]() |
![]() CNY17-2S |
![]() Lite-On |
![]() Transistor Output Optocouplers Optocoupler PTR 40%, 5KV, 6PIN |
![]() Data Sheet |
![]()
|
|
||||||||||||||
![]() |
![]() CNY17-2S(TA) |
![]() Everlight |
![]() Transistor Output Optocouplers 63-125CTR 5000Vrms -55 to +110 Op Temp |
![]() Data Sheet |
![]()
|
|
||||||||||||||
![]() |
![]() CNY17-2S(TB) |
![]() Everlight |
![]() Transistor Output Optocouplers 63-125CTR 5000Vrms -55 to +110 Op Temp |
![]() Data Sheet |
![]()
|
|
||||||||||||||
(Hong Kong)












