Product Summary
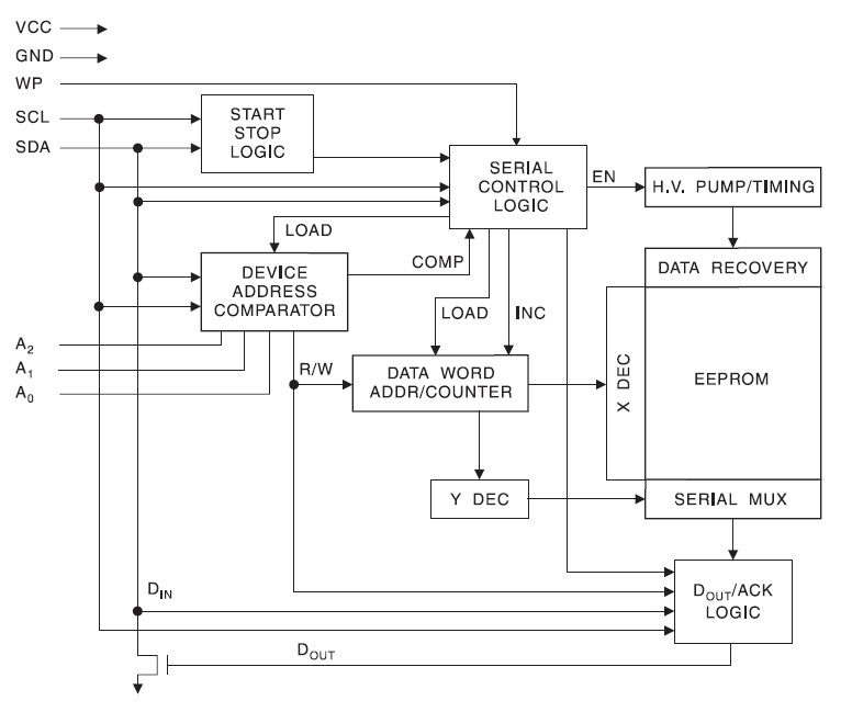
The AT24C16AN-10SU-2.7 provides 1024 bits of serial electrically erasable and programmable read-only memory (EEPROM) organized as 128/256/512/1024/2048 words of 8 bits each. The AT24C16AN-10SU-2.7 is optimized for use in many industrial and commercial applications where low-power and low-voltage operation are essential. The AT24C16AN-10SU-2.7 is available in space-saving 8-lead PDIP, 8-lead JEDEC SOIC, 8-lead MAP, 5-lead SOT23, 8-lead TSSOP, and 8-ball dBGA2 packages and is accessed via a Two-wire serial interface. In addition, the entire family is available in 2.7V versions.
Parametrics
AT24C16AN-10SU-2.7 absolute maximum ratings: (1)Operating Temperature: –55℃ to +125℃; (2)Storage Temperature: –65℃ to +150℃; (3)Voltage on Any Pin with Respect to Ground: –1.0V to +7.0V; (4)Maximum Operating Voltage: 6.25V; (5)DC Output Current: 5.0 mA.
Features
AT24C16AN-10SU-2.7 features: (1)Low-voltage and Standard-voltage Operation; (2)Internally Organized 128 x 8 (1K), 256 x 8 (2K), 512 x 8 (4K), 1024 x 8 (8K) or 2048 x 8 (16K); (3)Two-wire Serial Interface; (4)Schmitt Trigger, Filtered Inputs for Noise Suppression; (5)Bidirectional Data Transfer Protocol; (6)100 kHz (1.8V) and 400 kHz (2.7V, 5V) Compatibility; (7)Write Protect Pin for Hardware Data Protection; (8)8-byte Page (1K, 2K), 16-byte Page (4K, 8K, 16K) Write Modes; (9)Partial Page Writes Allowed; (10)Self-timed Write Cycle (5 ms max); (11)High-reliability; (12)Automotive Grade and Lead-free/Halogen-free Devices Available; (13)8-lead PDIP, 8-lead JEDEC SOIC, 8-lead MAP, 5-lead SOT23; (14)Die Sales: Wafer Form, Waffle Pack and Bumped Wafers.
Diagrams

| Image | Part No | Mfg | Description | ![]() |
Pricing (USD) |
Quantity | ||||
|---|---|---|---|---|---|---|---|---|---|---|
![]() |
![]() AT24C16AN-10SU-2.7 |
![]() Atmel |
![]() EEPROM Serial EEPROM |
![]() Data Sheet |
![]() Negotiable |
|
||||
| Image | Part No | Mfg | Description | ![]() |
Pricing (USD) |
Quantity | ||||
![]() |
![]() AT24C |
![]() Other |
![]() |
![]() Data Sheet |
![]() Negotiable |
|
||||
![]() |
![]() AT24C01 |
![]() Other |
![]() |
![]() Data Sheet |
![]() Negotiable |
|
||||
![]() |
![]() AT24C01-10PC |
![]() Atmel |
![]() IC SEEPROM 1K 8DIP |
![]() Data Sheet |
![]() Negotiable |
|
||||
![]() |
![]() AT24C01-10PC-1.8 |
![]() Atmel |
![]() IC SEEPROM 1K 1.8V 8DIP |
![]() Data Sheet |
![]() Negotiable |
|
||||
![]() |
![]() AT24C01-10PC-2.5 |
![]() Atmel |
![]() IC SEEPROM 1K 2.5V 8DIP |
![]() Data Sheet |
![]() Negotiable |
|
||||
![]() |
![]() AT24C01-10PC-2.7 |
![]() Atmel |
![]() IC SEEPROM 1K 2.7V 8DIP |
![]() Data Sheet |
![]() Negotiable |
|
||||
(Hong Kong)










