Product Summary
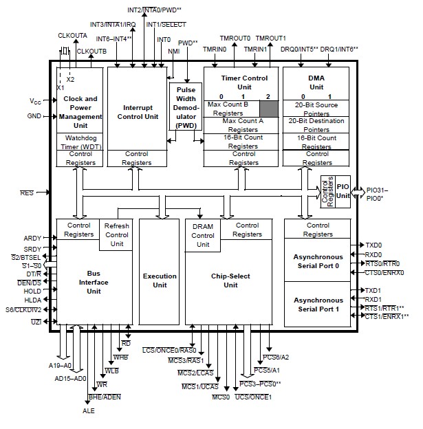
The AM186ED-25VC is a high performance, 16-bit embedded microcontroller. The AM186ED-25VC microcontroller integrates a complete DRAM controller to take advantage of low DRAM costs. This reduces memory subsystem costs while maintaining SRAM performance.The AM186ED-25VC microcontroller also integrates the functions of a CPU, nonmultiplexed address bus, three timers, watchdog timer, chip selects, interrupt controller, two DMA controllers, two asynchronous serial ports, programmable bussizing.
Parametrics
AM186ED-25VC absolute maximum ratings: (1)Storage temperature: –65℃ to +125℃; (2)Voltage on any pin with respect to ground: –0.5 V to Vcc +0.5 V; (3)Commercial (TC): 0℃ to +100℃; (4)Industrial(TA): –40℃ to +85℃; (5)Supply voltage (VCC): 5 V ± 10%.
Features
AM186ED-25VC features: (1)E86TM family 80C186- and 80C188-compatible microcontroller with enhanced bus interface; (2)Programmable DRAM Controller; (3)High performance; (4)Enhanced features provide improved memory access and remove the requirement for a 2x clock input; (5)Familiar 80C186 peripherals; (6)Software-compatible with the 80C186 and 80C188 microcontrollers with widely available native development tools, applications, and system software; (7)A compatible evolution of the Am186EM, Am186ES, and Am186ER microcontrollers; (8)Available in the following packages: 100-pin, thin quad flat pack (TQFP); – 100-pin, plastic quad flat pack (PQFP).
Diagrams

![]() |
![]() AM1802BZCED3 |
![]() Texas Instruments |
![]() Microprocessors (MPU) Sitara ARM MCU |
![]() Data Sheet |
![]()
|
|
||||||||||||
![]() |
![]() AM1802BZWTD3 |
![]() Texas Instruments |
![]() Microprocessors (MPU) Sitara ARM MCU |
![]() Data Sheet |
![]()
|
|
||||||||||||
![]() |
![]() AM1806BZCE3 |
![]() Texas Instruments |
![]() Microprocessors (MPU) ARM MicroProc |
![]() Data Sheet |
![]()
|
|
||||||||||||
![]() |
![]() AM1806BZCE4 |
![]() Texas Instruments |
![]() Microprocessors (MPU) ARM MicroProc |
![]() Data Sheet |
![]()
|
|
||||||||||||
![]() |
![]() AM1806BZCEA3 |
![]() Texas Instruments |
![]() Microprocessors (MPU) ARM MicroProc |
![]() Data Sheet |
![]()
|
|
||||||||||||
![]() |
![]() AM1806BZCED4 |
![]() Texas Instruments |
![]() Microprocessors (MPU) ARM MicroProc |
![]() Data Sheet |
![]()
|
|
||||||||||||
(Hong Kong)









