Product Summary
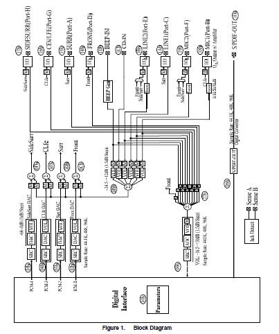
The ALC861 is a 7.1 channel high definition audio codec. The ALC861 supports S/PDIF output function and a sampling rate of up to 96kHz, offering easy connection of PCs to high-quality consumer electronic products such as AC-3 decoders/speakers, and mini disk devices.
Parametrics
ALC861 absolute maximum ratings: (1)Power supply, digital power for core, DVDD: 3.0 to 3.6V; (2)Digital power for HDA link, DVDD-IO: 1.5 to 3.6V; (3)Ambient operating temp, Ta: 0 tp +70℃; (4)Storage temp, Ts: +125℃.
Features
ALC861 features: (1)One stereo ADC supports 16-bit PCM format; (2)Front/Surround/Cen/LFE/Side-Surround DACs support independent 48KHz/96KHz sample rate; (3)ADC supports 48K/96K sample rate; (4)FRONT (port-D), LINE2 (port-E), and MIC2 (port-F) are stereo input and output re-tasking; (5)High-quality differential CD input; (6)Two jack detection pins: each supports detection of up to 4 jacks; (7)Supports 48KHz/96KHz S/PDIF output; (8)Supports analog PCBEEP input; (9)Integrates digital BEEP generator; (10)Power support Digital: 3.3V; Analog: 5.0V; (11)48-pin LQFP Green package; (12)Meets Microsoft WHQL/WLP 2.0 audio requirements; (13)EAX? 1.0 & 2.0 compatible; (14)Direct Sound 3D compatible.
Diagrams

| Image | Part No | Mfg | Description | ![]() |
Pricing (USD) |
Quantity | ||||
|---|---|---|---|---|---|---|---|---|---|---|
![]() |
![]() ALC861DTS-GR |
![]() Other |
![]() |
![]() Data Sheet |
![]() Negotiable |
|
||||
![]() |
![]() ALC861-GR |
![]() Other |
![]() |
![]() Data Sheet |
![]() Negotiable |
|
||||
(Hong Kong)









