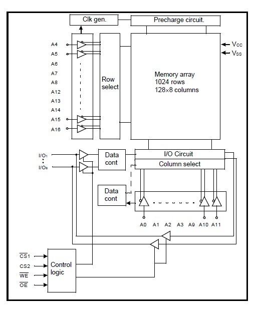
Product Summary
The KM681000CLP-7 is a 128K x8 bit low power CMOS static RAM. It is fabricated by the advanced CMOS process technology of SAMSUNG. The device supports various operating temperature ranges and has various package types for user flexibility of system design. The KM681000CLP-7 also supports low data retention voltage for battery backup operation with low data retention current.
Parametrics
KM681000CLP-7 absolute maxing ratings: (1)Voltage on any pin relative to Vss VIN, VOUT: -0.5 to 7.0V; (2)Voltage on Vcc supply relative to Vss VCC: -0.5 to 7.0V ; (3)Power Dissipation PD: 1.0W; (4)Storage temperature TSTG: -65 to 150℃; (5)Operating Temperature TA: 0 to 70℃; (6)Soldering temperature and time TSOLDER: 260℃, 10sec (Lead Only).
Features
KM681000CLP-7 features: (1)Process Technology: TFT; (2)Organization: 128K×8; (3)Power Supply Voltage: 4.5~5.5V; (4)Low Data Retention Voltage: 2V(Min); (5)Three state output and TTL Compatible; (6)Package Type: 32-DIP-600, 32-SOP-525, 32-TSOP1-0820F/R.
Diagrams

![]() |
![]() KM681000B |
![]() Other |
![]() |
![]() Data Sheet |
![]() Negotiable |
|
||||
![]() |
![]() KM681000BLG-7L |
![]() Other |
![]() |
![]() Data Sheet |
![]() Negotiable |
|
||||
![]() |
![]() KM681000C |
![]() Other |
![]() |
![]() Data Sheet |
![]() Negotiable |
|
||||
![]() |
![]() KM681000E |
![]() Other |
![]() |
![]() Data Sheet |
![]() Negotiable |
|
||||
![]() |
![]() KM681001A |
![]() Other |
![]() |
![]() Data Sheet |
![]() Negotiable |
|
||||
![]() |
![]() KM681001B |
![]() Other |
![]() |
![]() Data Sheet |
![]() Negotiable |
|
||||
(Hong Kong)








