Product Summary
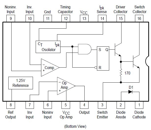
The UA78S40DM is a switching regulator subsystem, consisting of a temperature compensated voltage reference, controlled–duty cycle oscillator with an active current limit circuit, comparator, high–current and high–voltage output switch, capable of 1.5 A and 40 V, pinned–out power diode and an uncommitted operational amplifier, which can be powered up or down independent of the IC supply. The applications of the UA78S40DM include use in step–up, step–down, and inverting regulators, with extremely good results obtained in battery–operated systems.
Parametrics
UA78S40DM absolute maximum ratings: (1)Power Supply Voltage VCC: 40 V; (2)Op Amp Power Supply Voltage VCC (Op Amp): 40 V; (3)Common Mode Input Range(Comparator and Op Amp)VICR: -0.3 to VCC V; (4)Differential Input Voltage VID: ±30 V; (5)Reference Output Current Iref: 10 mA; (6)Voltage from Switch Collectors to Gnd: 40 V; (7)Voltage from Switch Emitters to Gnd: 40 V; (8)Voltage from Switch Collectors to Emitter: 40 V; (9)Voltage from Power Diode to Gnd: 40 V; (10)Reverse–Power Diode Voltage VDR: 40 V.
Features
UA78S40DM features: (1)Output Adjustable from 1.25 V to 40 V; (2)Peak Output Current of 1.5 A Without External Transistor; (3)80 dB Line and Load Regulation; (4)Operation from 2.5 V to 40 V Supply; (5)Low Standby Current Drain; (6)High Gain, High Output Current, Uncommitted Op Amp.
Diagrams
是
![]() |
![]() UA7805CKC |
![]() Texas Instruments |
![]() Linear Regulators - Standard 5.0V 1500mA |
![]() Data Sheet |
![]() Negotiable |
|
||||||||||||||
![]() |
![]() UA7805CKCE3 |
![]() Texas Instruments |
![]() Linear Regulators - Standard 5V 1.5A Fixed Pos Voltage Regulator |
![]() Data Sheet |
![]() Negotiable |
|
||||||||||||||
![]() |
![]() UA7805CKCS |
![]() Texas Instruments |
![]() Linear Regulators - Standard Positive V |
![]() Data Sheet |
![]()
|
|
||||||||||||||
![]() |
![]() UA7805CKCT |
![]() Texas Instruments |
![]() Low Dropout (LDO) Regulators 3P 1.5A Fixed 5V Pos Vltg Reg |
![]() Data Sheet |
![]()
|
|
||||||||||||||
![]() |
![]() UA7805CKTER |
![]() Texas Instruments |
![]() Linear Regulators - Standard 5.0V 1500mA |
![]() Data Sheet |
![]() Negotiable |
|
||||||||||||||
![]() |
![]() UA7805CKTTR |
![]() Texas Instruments |
![]() Linear Regulators - Standard 5V 1.5A Fixed Pos Vltg Reg |
![]() Data Sheet |
![]()
|
|
||||||||||||||
(Hong Kong)









